生产设备 | 企业文化 | 人才招聘 | 起重电机信息

所有产品

              起重及冶金用电动机
              辊道用电动机
              防爆电机

 
当前位置:首页 > 起重电机信息
 

电动机保护装置解决方案

发布时间:2017-07-06 21:42:00 点击:    

 
 

无锡伯顿起重电机 电动机被广泛应用于国民经济的各个领域,扮演着重要的角色。为了保证电动机的可靠运行,需要监视这些电动机的运行状态,并在电动机发生内部故障或在断路器引线处发生故障时及时将故障点隔离。这就需要按规定装设相应的保护装置。

  推荐技术方案

  针对种类繁多的电动机,我们将其大致分成大型同步电动机、大型异步电动机和中小型异步电动机三大类。针对这三大类电动机我们均开发出相应的保护装置,这些装置既能对电动机进行完整的保护,还能进行完整的状态监视、控制以及事件记录。下面分别列出各类电动机的所推荐保护技术方案。

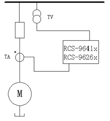
  2.1 大型同步电动机保护技术方案

  针对大型同步电动机保护功能需求,推荐下列技术方案(图 2-1):


电动机保护装置解决方案

 

  图 2-1 大型同步电动机保护技术方案

  具体保护配置:

  RCS-9643B(C)装置内部集成了大型同步电动机所需的所有典型保护配置,包括电流纵差保护、磁平衡保护、失步保护、低周保护、低功率保护、逆功率保护、过流保护、堵转保护、不平衡保护、接地保护、过负荷保护、过热保护、低电压保护、过电压保护、非电量保护等等。

  对于特别重要的场合,可以考虑配置双重化,例如加配一台RCS-9641x(参见2.3节)。

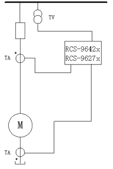
  2.2 大型异步电动机保护技术方案

  针对大型异步电动机(一般2MW以上)保护功能需求,推荐下列技术方案(图 2-2)


电动机保护装置解决方案

 

  图 2-2 大型异步电动机保护技术方案

  具体保护配置:

  RCS-9642(B)或RCS-9627B (CN)装置内部集成了大型异步电动机所需的所有典型保护配置,包括电流纵差保护、磁平衡保护、过流保护、堵转保护、不平衡保护、接地保护、过负荷保护、过热保护、低电压保护、过电压保护、非电量保护等等。

  对于特别重要的场合,可以考虑配置双重化,例如加配一台RCS-9641x (参见2.3节)。

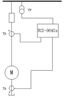
  2.3 中小型异步电动机保护技术方案

  针对中小型异步电动机保护功能需求,推荐下列技术方案 (图 2-3)


电动机保护装置解决方案

 

  图 2-3 中小型异步步电动机保护技术方案

  具体保护配置:

  RCS-9641(B)或RCS-9626B (CN)装置内部集成了中小型异步电动机所需的所有典型保护配置,包括过流保护、堵转保护、不平衡保护、接地保护、过负荷保护、过热保护、低电压保护、过电压保护、非电量保护等等。

  对于某些小型同步电动机,若不需要配置诸如失步保护、低周保护、低功率保护、逆功率保护这些原本同步电动机特需的保护时,也可以考虑选用这种较经济的方案。

  实现方案

  上述所有电动机保护测控装置均是6U、1/3层机箱。推荐采用就地开关柜安装,也可组屏安装。

 
  • 上一篇:电动机正反转控制电路
  • 下一篇:降低电动机启动电流延长电动机使用寿命
  •  
     
    相关产品 更多产品>>
     
     
    起重电机新闻 更多新闻>>
     
    怎样避免电动机烧毁 2018-02-01
    模块化在大型电动机设计及制造中的应用 2018-02-01
    你不得不知道的起重机保养诀窍 2018-01-31
    桥式起重机上电器和机械安全装置的作用 2018-01-31
    如何理解伺服电机的刚性和惯量? 2018-01-30
    低分辨率位置传感器永磁同步电机精确位置估计方法综述 2018-01-30
    电机烧毁跟拆装有很大关系 2018-01-29
    电机发热怎么办? 2018-01-29
    电动机轴承异响故障分析及应对措施 2018-01-28
    如何对电动机轴承进行清洗 2018-01-28
    电动机轴承的检查、安装方法 2018-01-26
    电动机轴承的清洗方法 2018-01-26
    电机转速与转差率 2018-01-25
    定子绕组故障检修 2018-01-25
    如何理解伺服电机的刚性和惯量? 2018-01-24
     


    专业起重电机起重变频电机生产商-无锡伯顿电机有限公司

    返回首页 | 关于我们 | 产品展示 | 荣誉资质 | 生产设备 | 企业文化 | 联系我们 | 起重电机信息 | 人才招聘 | 网站地图
    Copyright © 2012 无锡伯顿电机有限公司, Inc. 苏ICP备12019556号-1
    网页关键词:
    起重电机起重变频电机,电机
    友情链接:平衡机   聚脲   不锈钢棒材   撕碎机   除尘器设备   无锡折弯机   起重机车轮   油压冲床   磁悬浮轴承   护套   石家庄婚纱摄影   联赢激光   热轧滑轮   防火门   微型电动葫芦   钙铁锌硒检测仪   垃圾处理器   机械剪板机   工业冷水机组   剪板机   电梯厂家   时间同步服务器   不锈钢反应锅   上海喷码机   数控折弯机   校平机   电动蝶阀   平开门电机   废旧轮胎胶粉设备