生产设备 | 企业文化 | 人才招聘 | 起重电机信息

所有产品

              起重及冶金用电动机
              辊道用电动机
              防爆电机

 
当前位置:首页 > 起重电机信息
 

电动机正反转控制电路

发布时间:2017-07-05 22:00:00 点击:    

 
 

无锡伯顿起重电机 在生产加工过程中,除了要求电动机实现单向运行外,往往还要求电动机能实现可逆运行。如改变机床工作台的运动方向,起重机吊钩的上升或下降等。由三相交流电动机的工作原理可知,如果将接至电动机的三相电源线中的任意两相对调,就可以实现电动机的反转。

  较简单的方法是采用倒顺开关,直接调换两相的接线即可。


倒顺开关机构图

 

  倒顺开关正反转控制电路所用电器少,线路简单,但这是一种手动控制线路,频繁换向时操作人员的劳动强度大、操作不安全,因此一般只用于控制额定电流10A、功率在3kW以下的小容量电动机。那么,在生产实践中,对于频繁正反转的电动机采用什么样的控制方法呢?

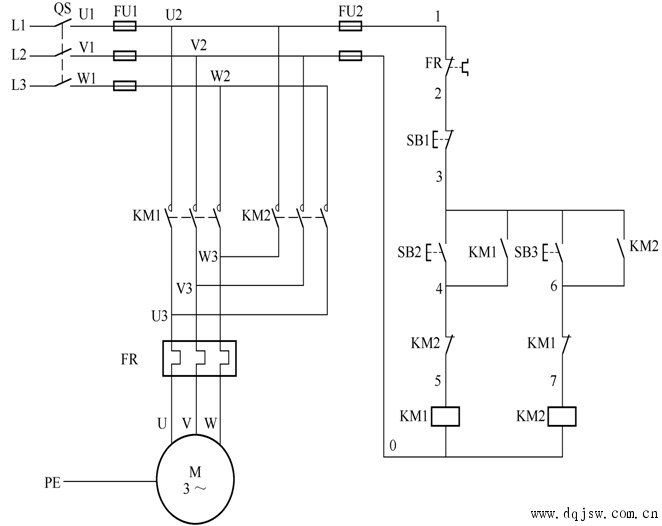
  接触器互锁控制电路


接触器互锁电气控制电路

 

  动作分析:


电气控制动作图

 

  电动机控制电气互锁电路

  在一个接触器得电动作时,通过其辅助动断(常闭)触点使另一个接触器不能得电动作的作用叫做互锁(也称联锁),而这两对起互锁作用的触点称为互锁触点。(信息来源:www.dqjsw.com.cn)

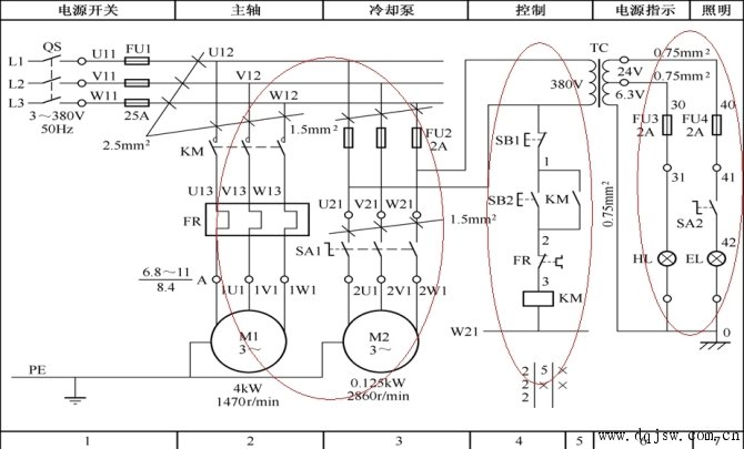
  电气原理图——现以CW6132型普通车床的电气原理图为例来说明绘制电气原理图应遵循的一些基本原则


CW6132型普通车床的电气原理图

 

  (1)电气原理图一般分为主电路、控制电路和辅助电路3个部分。

  (2)电气原理图中所有电器元件的图形符号和文字符号必须符合国家规定的统一标准。

  (3)在电气原理图中,所有电器的可动部分均按原始状态画出。

  (4)动力电路的电源线应水平画出;主电路应垂直于电源线画出;控制电路和辅助电路应垂直于两条或几条水平电源线之间;耗能元件(如线圈、电磁阀、照明灯、信号灯等)应接在下面一条电源线一侧,而各种控制触点应接在另一条电源线上。

  (5)应尽量减少线条数量,避免线条交叉。

  (6)在电气原理图上应标出各个电源电路的电压值、极性或频率及相数;

  (7)为方便阅图,在电气原理图中可将图幅分成若干个图区,图区行的代号用英文字母表示,一般可省略,列的代号用阿拉伯数字表示,其图区编号写在图的下面,并在图的顶部标明各图区电路的作用。

  (8)在继电器、接触器线圈下方均列有触点表以说明线圈和触点的从属关系,即“符号位置索引”。

 
  • 上一篇:多台电动机并联起动且部分电动机直接起动时变频器容量的计算
  • 下一篇:电动机保护装置解决方案
  •  
     
    相关产品 更多产品>>
     
     
    起重电机新闻 更多新闻>>
     
    怎样避免电动机烧毁 2018-02-01
    模块化在大型电动机设计及制造中的应用 2018-02-01
    你不得不知道的起重机保养诀窍 2018-01-31
    桥式起重机上电器和机械安全装置的作用 2018-01-31
    如何理解伺服电机的刚性和惯量? 2018-01-30
    低分辨率位置传感器永磁同步电机精确位置估计方法综述 2018-01-30
    电机烧毁跟拆装有很大关系 2018-01-29
    电机发热怎么办? 2018-01-29
    电动机轴承异响故障分析及应对措施 2018-01-28
    如何对电动机轴承进行清洗 2018-01-28
    电动机轴承的检查、安装方法 2018-01-26
    电动机轴承的清洗方法 2018-01-26
    电机转速与转差率 2018-01-25
    定子绕组故障检修 2018-01-25
    如何理解伺服电机的刚性和惯量? 2018-01-24
     


    专业起重电机起重变频电机生产商-无锡伯顿电机有限公司

    返回首页 | 关于我们 | 产品展示 | 荣誉资质 | 生产设备 | 企业文化 | 联系我们 | 起重电机信息 | 人才招聘 | 网站地图
    Copyright © 2012 无锡伯顿电机有限公司, Inc. 苏ICP备12019556号-1
    网页关键词:
    起重电机起重变频电机,电机
    友情链接:平衡机   聚脲   不锈钢棒材   撕碎机   除尘器设备   无锡折弯机   起重机车轮   油压冲床   磁悬浮轴承   护套   石家庄婚纱摄影   联赢激光   热轧滑轮   防火门   微型电动葫芦   钙铁锌硒检测仪   垃圾处理器   机械剪板机   工业冷水机组   剪板机   电梯厂家   时间同步服务器   不锈钢反应锅   上海喷码机   数控折弯机   校平机   电动蝶阀   平开门电机   废旧轮胎胶粉设备