生产设备 | 企业文化 | 人才招聘 | 起重电机信息

所有产品

              起重及冶金用电动机
              辊道用电动机
              防爆电机

 
当前位置:首页 > 起重电机信息
 

电动机的启动、制动、调速等控制线路解析

发布时间:2017-12-06 23:12:00 点击:    

 
 
一、电气控制系统图的基本知识

 电气控制线路:
无锡伯顿起重电机  由各种有触点的接触器、继电器、按钮、行程开关等按不同连接方式组合而成的。


电气控制线路的作用:
实现对电力拖动系统的启动、正反转、制动、调速和保护,满足生产工艺要求,实现生产过程自动化。电动机常见的基本控制线路:


相关国家标准:

    GB4728—85《电气图常用图形符号》

    GB5226—85《机床电气设备通用技术条件》

    GB7159—87《电气技术中的文字符号制定通则》

    GB6988—86《电气制图》

    GB5094—85《电气技术中的项目代号 》

   

电气原理图

用图形符号和项目代号表示电路各个电器元件连接关系和工作原理图主电路、控制电路和信号电路应分开绘出。表示出各个电源电路的电压值、极性或频率及相数。


主电路的电源电路一般绘制成水平线,受电的动力装置(电动机)及其保护电器支路用垂直线绘制在图的左侧, 控制电路用垂直线绘制在图面的右侧,同一电器的各元件采用同一文字符号表明。


所有电路元件的图形符号,均按电器未接通电源和没有受外力作用时的状态绘制。循环运动的机械设备,在电气原理图上绘出工作循环图。转换开关、行程开关等绘出动作程序及动作位置示意图表。


由若干元件组成具有特定功能的环节,用虚线框括起来,并标注 出环节的主要作用,如速度调节器、电流继电器等。电路和元件完全相同并重复出现的环节,可以只绘出其中一个环节的完整电路,其余的可用虚线框表示,并标明该环节的文字号或环节的名称。


原则:

外购的成套电气装置,其详细电路与参数绘在电气原理图上。电气原理图的全部电机、电器元件的型号、文字符号、 用途、数量、额定技术数据,均应填写在元件明细表内。为阅图方便,图中自左向右或自上而下表示操作顺序,并尽可能减少线条和避免线条交叉。将图分成若干图区,上方为该区电路的用途和作用,下方为图区号。在继电器、接触器线圈下方列有触点表以说明线圈和触点的从属关系。


分析和设计控制电路时应注意以下几点:

    (1) 使控制电路简单,电器元件少,而且工作又要准确可靠。

    (2) 尽可能避免多个电器元件依次动作才能接通另一个电器的控制电路。

    (3) 必须保证每个线圈的额定电压,不能将两个线圈串联。


基本控制电路电动机的保护

短路保护是因短路电流会引起电器设备绝缘损坏产生强大的电动力,使电动机和电器设备产生机械性损坏,故要求迅速、可靠切断电源。通常采用熔断器 FU和过流继电器等。


欠压是指电动机工作时,引起电流增加甚至使电动机停转,失压(零压)是指电源电压消失而使电动机停转,在电源电压恢复时,电动机可能自动重新起动(亦称自起动),易造成人身或设备故障。常用的失压和欠压保护有:对接触器实行自锁;用低电压继电器组成失压、欠压保护。

    

过载保护是为防止三相电动机在运行中电流超过额定值而设置的保护。常采用热继电器FR保护,也可采用自动开关和电流继电器保护。


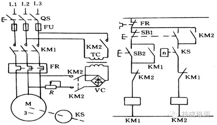
三相异步电动机全压启动控制

单向运转控制--接触器自锁控制

起重电机,伯顿起重电机,YZR起重电机,起重设备,YZB起重电机

主电路:

三相电源经QS、FU1、KM的主触点,FR的热元件到电动机三相定子绕组。


控制电路:

用两个控制按钮,控制接触器KM线圈的通、断电,从而控制电动机(M)启动和停止。


启动过程:

合上QS,按动起动按钮SB2—>KM线圈通电并自锁->M通电工作。


停止过程:

按动停止按钮SB1—>KM线圈失电并触点断开->KM断电停止工作,松开SB1后,自锁触头处于断开位置,接触器线圈仍处于断电状态。

KM自锁触点,是指与SB1并联的常开辅助触点,其作用是当按钮SB1闭合后又断开,KM的通电状态保持不变,称为通电状态的自我锁定。停止按钮SB2,用于切断KM线圈电流并打开自锁电路,使主回路的电动机M定子绕组断电停止工作。


过载保护:

热继电器FR用于电动机过载时,其在控制电路的常闭触点打开,接触器KM线圈断电,使电动机M停止工作.排除过载故障后,手动使其复位,控制电路可以重新工作。


短路保护: 

熔断器组FU1用于主电路的短路保护,FU2用于控制电路的短路保护。


失电压保护:

电路失电,接触器KM失电释放,不操作起动按钮,KM线圈不会再次自行通电,电动机不会自行起动。

    




电动机控制原理





——连续与点动混合控制

    点动控制:SA断开

    连续控制:SA闭合

起重电机,伯顿起重电机,YZR起重电机,起重设备,YZB起重电机


组成特点:

1、在连续控制电路的基础上,增加了有两个触头的点动按钮SB3,在接通电路的同时也将自锁回路断开,因此可实现点动控制。

   

 2、SB1:连续运行。

——顺序控制:

要求几台电动机的启动或停止按一定的先后顺序来完成的控制方式


顺序启动逆序停止控制:

    按下按钮SB1再按下SB2分别启动M1 M2。

    按下SB4停下M2;按下SB3停下M1;顺序不能改变。



——按钮控制正反转控制电路

接触器、按钮双重联锁控制


在同一时间内,两个接触器只允许一个通电工作的控制作用,称为“联锁” 



——行程控制:

有些生产机械如万能铣床,要求工作台在一定距离内能自动往返,通常利用行程开关控制电动机正反转实现。


——三相异步电动机降压启动控制

降压启动的方法:

    定子绕组串电阻(电抗)启动

    自耦变压器降压启动

    Y—△降压启动

    延边三角形降压启动


降压启动的实质:

启动时减小加在定子绕组上的电压,以减小起动电流;启动后再将电压恢复到额定值,电动机进入正常工作状态。


星形——三角形降压启动控制


电动机起动时,把定子绕组接成星形,以降低起动电压,减小起动电流;待电动机起动后,再把定子绕组改接成三角形,使电动机全压运行。


Y—△起动只能用于正常运行时为△形接法的电动机。


三相绕线式异步电动机启动控制

绕线异步电动机的优点:
可以在转子绕组中串接电阻来改善电动机的机械特性,从而达到减小启动电流、增大启动转矩及平滑调速之目的。

   

绕线异步电动机降压启动原理:

起动时,在转子回路中串入三相起动变阻器,并把起动电阻调到较大值,以减小起动电流,增大起动转矩。随着电动机转速的升高,起动电阻逐级减小。起动完毕后,起动电阻减小到零,转子绕组被短接,电动机在额定状态下运行。

电流原则控制

电流原则控制:电动机启动时转子电流较大,KA1、KA2、KA3都吸合,其常闭触头都打开,KM1、KM2、KM3主触头处于断开状态,全部启动电阻均串接在转子绕组中。电动机启动时转子电流较大,KA1、KA2、KA3都吸合,其常闭触头都打开,KM1、KM2、KM3主触头处于断开状态,全部启动电阻均串接在转子绕组中。电动机转速逐渐升高,转子电流逐渐减小,当电流减小至KA1的释放电流时,KA1首先释放,其常闭触头复位,使接触器KM1得电主触头闭合,切除第一级电阻R1。R1被切除后,转子电流重新增大,电动机转速继续升高,转子电流又减小,当减小至KA2的释放电流时,KA2释放,KA2的常闭触头复位,KM2线圈得电主触头闭合,第二级电阻R2被切除,同理,切除第三级电阻,全部电阻被切除,电动机启动完毕,进入正常运行状态。


——三相异步电动机电气制动控制

制动方法:

反接制动控制;能耗制动。
关键是电动机电源相序的改变,且当转速下降接近于零时,能自动将电源切除。


反接制动控制原理:

改变电动机电源相序,使定子绕组产生反向的旋转磁场,形成制动转矩要求:10kW以上电动机的定子电路中串入反接制动电阻,转速接近于零时,及时切断反相序电源,防止反向再起动。


工作原理:

电动机正常运转时,KM1通电吸合,KS的常开触点闭合,为反接制动作准备。按下停止按钮SB1,KM1断电,电动机定子绕组脱离三相电源,电动机因惯性仍以很高速度旋转,KS常开触点仍保持闭合,将SB1按到底,使SB1常开触点闭合,KM2通电并自锁,电动机定子串接电阻接上反相序电源,进入反接制动状态。电动机转速迅速下降,当电动机转速接近100r/min时,KS常开触点复位,KM2断电,电动机断电,反接制动结束。

    

能耗制动控制原理:

电动机脱离三相交流电源后,在定子绕组加直流电源,以产生起阻止旋转作用的静止磁场,达到制动的目的。

特点:

消耗的能量小,其制动电流要小得多;适用于电动机能量较大,要求制动平稳和制动频繁的场合;能耗制动需要直流电源整流装置。


——单向能耗制动控制:

按速度原则控制

直流电动机启动控制

特点:

良好的起动、制动与调速性能;启动冲击电流大,可达额定电流的10~20倍。一般不允许全压直接起动。


——串二级电阻按时间原则启动控制

电气原理图:

起重电机,伯顿起重电机,YZR起重电机,起重设备,YZB起重电机



小结:

1.本章重点讲述了电动机的启动、制动、调速等控制线路。


2.掌握电动机的启动方法及其使用场合和特点;掌握各种电动机的制动方法及其使用场合和特点;掌握电动机的控制原则,即时间原则、速度原则、电流原则、电势原则、行程原则、频率原则。


 3.掌握电力拖动系统中的保护环节

常用的联锁保护:电气联锁和机械联锁, 常用的互锁环节:动作顺序联锁环节、电气元件与机械动作的联锁。

电动机常用的保护环节:短路保护、过电流保护、过载保护、失压和欠压保护,弱磁保护及超速保护等。

 
  • 上一篇:电机机械故障检修16问
  • 下一篇:电动机的启动电流
  •  
     
    相关产品 更多产品>>
     
     
    起重电机新闻 更多新闻>>
     
    怎样避免电动机烧毁 2018-02-01
    模块化在大型电动机设计及制造中的应用 2018-02-01
    你不得不知道的起重机保养诀窍 2018-01-31
    桥式起重机上电器和机械安全装置的作用 2018-01-31
    如何理解伺服电机的刚性和惯量? 2018-01-30
    低分辨率位置传感器永磁同步电机精确位置估计方法综述 2018-01-30
    电机烧毁跟拆装有很大关系 2018-01-29
    电机发热怎么办? 2018-01-29
    电动机轴承异响故障分析及应对措施 2018-01-28
    如何对电动机轴承进行清洗 2018-01-28
    电动机轴承的检查、安装方法 2018-01-26
    电动机轴承的清洗方法 2018-01-26
    电机转速与转差率 2018-01-25
    定子绕组故障检修 2018-01-25
    如何理解伺服电机的刚性和惯量? 2018-01-24
     


    专业起重电机起重变频电机生产商-无锡伯顿电机有限公司

    返回首页 | 关于我们 | 产品展示 | 荣誉资质 | 生产设备 | 企业文化 | 联系我们 | 起重电机信息 | 人才招聘 | 网站地图
    Copyright © 2012 无锡伯顿电机有限公司, Inc. 苏ICP备12019556号-1
    网页关键词:
    起重电机起重变频电机,电机
    友情链接:平衡机   聚脲   不锈钢棒材   撕碎机   除尘器设备   无锡折弯机   起重机车轮   油压冲床   磁悬浮轴承   护套   石家庄婚纱摄影   联赢激光   热轧滑轮   防火门   微型电动葫芦   钙铁锌硒检测仪   垃圾处理器   机械剪板机   工业冷水机组   剪板机   电梯厂家   时间同步服务器   不锈钢反应锅   上海喷码机   数控折弯机   校平机   电动蝶阀   平开门电机   废旧轮胎胶粉设备