生产设备 | 企业文化 | 人才招聘 | 起重电机信息

所有产品

              起重及冶金用电动机
              辊道用电动机
              防爆电机

 
当前位置:首页 > 起重电机信息
 

为什么要给电动机降压启动?电动机降压启动电路大全

发布时间:2017-11-07 20:26:00 点击:    

 
 

1.为什么要给电动机降压启动?

无锡伯顿起重电机 三相电动机在起动时,起动电流很大,可达到额定电流的4~7倍,很大的起动电流,在短时间内会在线路上造成较大的电压降落,这不仅影响电动机本身的起动也会影响到同一线路上的其他电动机和电器设备的正常工作。

为此,对大容量电动机且起停频繁时,为了限制起动电流,必须采取降压起动。所谓降压起动,就是在电动机起动时降低加在电动机定子绕组上的电压,当电动机转起来以后,再将加在定子绕组上的电压恢复到正常值。由于电流与电压成正比关系,所以降低起动时的电压能减小起动电流。但是由于电磁转矩与电动机定子绕组端电压的平方成正比,所以电动机在降压起动时,起动转矩相应减小,故降压起动适用于空载或轻载下的起动。


2.电动机延边三角形降压起动控制电路接线图

延边三角形降压启动电路是把三角形连接的定子绕组接成局部为三角形的形式,如下图所示。电动机启动后转速上升达到一定值时,再将绕组改为三角形连接,然后继续启动运行,这可改善纯Y-△星三角形启动的转矩不足的缺点。

起重电机,伯顿起重电机,YZR起重电机,起重设备,YZB起重电机

延边三角形连接

下图为延边三角形降压启动控制电路。

电动机延边三角形降压启动控制电路接线图

启动时,合上电源开关Q,按下启动按钮SB2,使KM1、KM2和时间继电器KT得电,这时KM1接通电源,KM2将电动机三相绕组接成延边三角形启动。经延时后,KT的延时断开常闭触点(5~6)断开,KM2断电释放,拆开小三角形。同时KT与KM3的互锁常开触点KT(5~8)闭合,使KM3得电,再把定子绕组接成三角形启动运行


3.电动机频敏变阻器降压启动控制电路接线图

本电路具有启动平稳的特点,避免了前例由于逐级短接电阻,使电动机电流和转矩突然增大而产生的机械冲击。适用于容量电动机,且频繁启动的场合。

在较大容量的电动机启动中,还有一种用电动机转子绕组串联频敏变阻器进行启动的方法。频敏变阻器是一种静止的、无触点电磁元件,其电阻值随着频率变化而改变。它是由几块30~50mm厚的铸铁板或钢板叠成的三柱式铁心,在铁心上分别装有线圈,三个线圈连接成丫(星)形,并与电动机转子绕组相接。在电动机启动中,由于等值阻抗随着转子电流频率的减小而下降,以达到自动变阻,所以只需用一组频敏变阻器,就可以实现平稳无级启动。如下图所示为转子串联频敏变阻器启动控制电路。图中,KM1为电源接触器,KM2为短接频敏变阻器的接触器,KT为启动时间继电器。

电动机频敏变阻器降压启动控制电路接线图

合上电源开关Q,按下启动按钮SB2, KT、KM1相继得电吸合并自锁,电动机定子绕组接通电源,转子接入频敏变阻器启动。随着电动机转速平稳上升,频敏变阻器阻抗逐渐变小,当转速上升到接近额定转速时,时间继电器KT延时时间到,其延时闭合常开触点闭合,使KM2得电吸合并自锁,将频敏变阻器短接,电动机进入正常运行;KM2的常闭触点断开,切断KT前自锁回路,同时KT的延时断开常闭触点断开,使KT断电释放。

4.电动机Y-△-Y(星-三角-星)形连接转换节能控制电路

电动机Y-△-Y接法转换,是根据电动机负载变化情况,用改变绕组接法来调整绕组电压。当电动机重载(负载率为大于40%)时采用△形连接,作全压运行;轻载(负载率为小于40%)时改为Y形连接,作低电压节电运行。它适合于电动机有6个接线柱的三角形连接,并且长期轻载运行或重载一轻载交替运行的情况。

如下图所示即为电动机Y-△-Y转换节能控制电路。图中用电流互感器和电流继电器检测负载电流,当电流较小时,电流继电器不动作,控制电路使电动机作Y接运行;当负载电流较大时,电流继电器动作,切换控制电路使电动机作△接运行。

电动机Y-△-Y(星-三角-星)形连接转换节能控制电路

合上电源开关Q,按下起动按钮SB2,接触器KM1得电吸合并自锁,其主触点闭合,将电源引入电动机,并且KM1的辅助常开触点闭合,使时间继电器KT2得电吸合,经延时,KT2的常闭延时断开触点断开,保证KM3不能得电。接触器KM2得电吸合,Y形连接起动。KM2辅助常闭触点断开,确保KM3不能得电,起互锁作用。

如果电动机在空载或轻载工作时,电流继电器KA不动作,使KT1不能得电,KT2不能失电,KM2和KM3也不能切换,确保电动机在Y接方式下运转。

如果在重载工作时,KA吸合,其常开触点闭合,使时间继电器KT1得电吸合,其常闭触点断开,使KT2断电释放,KT2延时断开常闭触点恢复闭合,为KM3通电作准备。当KT1延时时间到,其延时断开常闭触点断开,使KM2断电释放,延时闭合常开触点闭合,也为KM3得电作准备。由于KM2断电释放, 其主触点断开,打开电动机的Y形连接,其辅助常闭触点恢复闭合,使KM3得电吸合并自锁,其主触点闭合,使电动机在△形连接方式下运行,同时KM3辅助常闭触点断开,KT1断电释放,也进一步保证KM2断电,起互锁作用。

当负载减轻或空载时,KA断电释放,其常开触点恢复断开,使KT1断电释放,其延时断开常闭触点恢复闭合,为KM2得电作准备。KA的常闭触点恢复闭合,KT2得电。当KT2延时时间到,其延时断开常闭触点断开,KM3断电释放,其常开触点断开,电动机断电并依靠惯性运行,KM3的辅助常闭触点恢复闭合,使接触器KM2得电,使电动机又在Y形连接下运行,KM2的辅助常闭触点断开,确保KM3不能得电,实现互锁。

5.使用自耦变压器与时间继电器的电动机降压起动控制电路接线图


本电路适用于较大容量笼型电动机,并可远程自动控制的场合。一般工厂常用的自耦变压器启动方法是采用成品的补偿降压启动器,成品的补偿启动器包括手动、自动操作两种型式。手动操作的补偿启动器有XJ01型和CTZ系列。

手动操作降压补偿器的内部构造包括自耦变压器、保护装置、触头系统和手柄操作机构等部分。

自动操作降压补偿器主要由接触器、自耦变压器、热继电器、时间继电器和按钮等组成。对于75kW以下的电动机全部采用自动控制方式,80~300kW的电动机同时具有手动和自动操作两种控制方式。XJ01型补偿降压启动器,适用于14~28kW的电动机降压启动。

使用自耦变压器与时间继电器的电动机降压起动控制电路接线图

如上图所示为XJ01系列自耦变压器自动控制电路,合上电源开关Q,EL1灯亮,表明电源电压正常。按下启动按钮SB2,KM1、KT线圈同时通电并自锁,将自耦变压器接入,电动机由自耦变压器二次电压供电作减压启动。同时指示灯ELI灭,EI2亮,显示电动机正进行减压启动。

当电动机转速接近额定转速时,时间继电器KT延时闭合常开触点闭合,KA线圈通电并自锁,其常开触点KA闭合,使KM2线圈通电吸合,电源电压全部加在电动机定子上,KM2的常闭触点断开,使KM1线圈断电释放。KM1主触点将自耦变压器切除;KA的另一触点断开,EL2指示灯断电熄灭,同时EL3指示灯亮,表明电动机减压起运结束,电动机在额定电压下进入正常运转。

6.带自耦变压器电动机降压启动按钮操作控制电路接线图

如下图所示为一款用自耦变压器作电动机降压启动,并且可实现远程控制的电路。

当合上电源开关Q,按下启动按钮SB2时,接触器KM1、KM2同时得电吸合并自锁,电源经自耦变压器接入电动机,使电动机降压启动。

等到电动机转速趋于稳定时,再按下运行按钮SB3,首先切断接触器KM1、KM2的线圈电源,然后接通接触器KM3的线圈电源,KM1、KM2断电释放,KM3得电吸合并自锁,主触点闭合,切除自耦变压器,电动机直接接入电源,作全压正常运转。

带自耦变压器电动机降压启动按钮操作控制电路接线图

本电路适用于较大容量笼型电动机,并可远程控制的场合。

7.自耦降压启动器电动机手动控制电路接线图

自耦降压启动器适用于一般工业用交流50Hz、电压380V,功率分别10、14、28、40、55、75及1000kW的三相笼型感应电动机作不频繁降压启动及停止之用,用带有抽头的自耦变压器于启动时将*源电压降低,从而使启动电流减小,自耦降压启动器还具有热继电器及失压脱扣器,在电动机过载时或线路电压低于额定电压一定数值时使电动机脱离电源,起到保护电动机的作用。

自耦降压启动器手动控制电路接线图

如下图是QJ10系列手动控制自耦降压启动器电路。它由起 动触点、运行触点、星接触点、手动操作机构、自耦变压器、保护元件与箱体等部分组成,具有过电流、断相和欠电压保护。 QJ10系列自耦降压启动器技术数据见下表所示。

QJ10系列自耦降压启动器二次绕组有几组抽头,可获得0.8UN、0.6UN的不同电压,保护元件有带断相保护的热继电器、欠电压脱扣器等。

当操作手柄置于“停止”位置时,启动触点、运行触点、星接触点均处于断开状态,电动机未接电源,处于停止状态。当手柄处于“启动”位置时,启动触点与星接触点闭合,自耦变压器连成星形,接在三相电源上,而自耦变压器的二次侧的抽头接到三相电动机定子上,获得相应抽头电压,电动机进行降压启动。当电动机转速接近额定转速时,将操作手柄迅速扳到“运行”位置。此时,启动触点、星接触点断开,运行触点闭合,三相电源直接接人电动机定子绕组,在额定电压下正常运转。当电动机需停止时,按下停止按钮SB,欠电压脱扣线圈K断电,经操作机构使操作手柄返回停止位置,运行触点断开,切断电动机三相电源,电动机停止运转。

8.按电流原则控制转子串联电阻降压启动电路接线图解

如下图所示是一款按电流原则短接转子启动电阻控制电路。它是运用电流继电器来检测电动机转子电流,根据电动机在启动过程中,转子电流变化来实现转子电阻的短接控制。图中KA1、KA2、KA3为欠电流继电器,其线圈串联在电动机转子电路中,这三个电流继电器的吸合电流值相同,但释放电流值不同。其中KA1释放电流为较大,KA2次之,KA3释放电流值较小。KA4为中间继电器,KM4为线路接触器,KM1、KM2、KM3为短接电阻接触器。

按电流原则控制转子串联电阻降压启动电路接线图解

合上电源开关Q,按下启动按钮SB2,接触器KM4得电吸合并自锁,其主触点闭合,使电动机定子绕组接通三相电源,转子绕组串人全部电阻启动。同时KM4的辅助常开触点闭合,KA4得电吸合,其常开触点闭合,为KM1KM3得电作准备。由于刚启动时电流很大,KA1~KA3吸合电流相同,因此同时得电吸合,其常闭触点都断开,使KM1~KM3处于失电状态, 转子电阻全部串入,达到限流和提高转矩的目的。

在启动过程中,随着电动机转速的升高,启动电流逐渐减小,而KA1~KA3释放电流调节得不同,其中KA1释放电流较大,KA2次之,KA3为较小,因此当启动电流减小到KA1释放电流整定值时,KAl首先释放,其常闭触点恢复闭合,KM1得电吸合,短接一段转子电阻R1,由于电阻短接,转子电流增加,启动转矩增大,使转速又加快上升,这又使电流下降,当降低到KA2释放电流时,KA2常闭触点恢复闭合,KM2得电吸合,短接第二段电阻R2,如此继续,直到转子电阻全部短接,电动机降压启动过程结束。

若无KA4,当启动电流由零上升在尚未到达吸合值时,KA1~KA3未吸合,将使KM1~KM3同时吸合,转子电阻全部短接,电动机直接启动。而接人中间继电器KA4后,在KM4得电吸合后才使KA4得电吸合,再使KA4常开触点闭合,在这之前启动电流已达到电流继电器吸合电流值,并已动作,其常闭触点已将KM1~KM3电路断开,确保转子电阻全部串入,避免了电动机直接启动。

9.按时间原则控制电动机转子串电阻降压启动电路

下图所示的电路是一款利用时间继电器,按时间原则控制转子串电阻降压启动电路,它能很好解决上述电路存在的问题。

按时间原则控制电动机转子串电阻降压启动电路

时间继电器KT1、KT2、KT3自动控制启动电阻的分级短接过程。

启动时:合上电源幵关Q,按下按钮SB2,接触器KM1得电,KT1得电,电动机串联全部电阻作降压启动,使电动机转速逐步升高。

当KT1延时时间到:其延时闭合常开触点闭合,KM2得电,KT2也得电,短接第一组电阻,

当KT2延时时间到:其延时闭合常开触点闭合,KM3得电,K13也得电,短接第二组电阻,并且KM3的辅助常闭触点断开,使KM2、KT1、KT2均断电释放。

当KT3延时时间到:其延时闭合常开触点闭合,KM4得电,短接第三组电阻,电动机全压启动运行,并且由于KM4辅助常闭触点断开,使KM3、KT3断电释放。

当降压启动过程结束:只有KM1、KM4两个接触器处于通电状态,既节约了电能,也可延长KM2、KM3和时间继电器的使用寿命。

10.绕线转子电动机转子串电阻降压启动控制电路接线图

由于采用定子绕组串联电阻起动是在牺牲起动转矩情况下进行的,只适用于轻载或空载下起动。在需要重载起动时,可采用三相转子串联电阻的方法。因为三相异步电动机转子电阻增加时能保持较大的转矩,所以适当选择起动电阻能使得起动转矩较大。

一般将起动电阻分级连成星形,起动时,先将全部起动电阻接入,随着起动的进行,电动机转速的提髙,转子起动电阻依次被短接,在起动结束时,电阻全部被短接。如下电路图所示是一款转子绕组串联电阻起动按钮操作控制电路。图中KM1为线路接触器,KM2、KM3、KM4为短接电阻起动接触器。

绕线转子电动机绕组串联电阻降压启动控制电路接线图

起动过程:合上电源开关Q,按下起动按钮SB2,接触器得电,主触点闭合,电动机串联三组电阻作降压起动,在转速逐步升高的过程中,逐次按下按钮SB3、SB4、SB5,将三组电阻逐一短接,使电动机投入正常运转。

11.电动机定子绕组串联电阻自动切换降压启动电路接线图(一)

如下图所示的是一款靠时间继电器自动进行电路切换的串电阻换降起动电路。

起动时,按下起动按钮SB2,KM1和KT得电,KM1的辅助常开触点闭合自锁,主触点闭合,电动机串入电阻起动。经延时规定时间后,KT的延时闭合常开触点闭合,KM2得电,其主触点闭合,短接起动电阻,电动机进行全压起动运行。

电动机定子绕组串联电阻自动切换降压启动电路接线图

本电路特点是能自动短接起动电阻,进入全压运行,操作简便。

12.电动机定子绕组串联电阻自动切换降压启动电路接线图(二)

如下图所示是定子绕组串电阻降压启动的另一种控制电路。启动时,按下起动按钮SB2,KM1和KT得电,KM1的辅助常开触点闭合自锁,主触点闭合,电动机串入电阻起动。经延时规定时间后,KT的延时闭合常开触点闭合,KM2得电,其辅助常开触点闭合自锁,辅助常闭触点断开,使KM1和KT断电,实现了KM1和KM2之间的互锁,KM2主触点闭合,短接起动电阻,进行全压起动运行。

电动机定子绕组串联电阻自动切换降压启动电路接线图

电路特点:当起动电阻被短接,电动机全压运行时,只有一个接触器通电,控制电路能耗小。

串电阻起动的优点是:控制线路结构简单,成本低,动作可靠,提高了功率因数,有利于保证电网质量。但是,由于定子串电阻降压起动,起动电流随定子电压成正比下降,而起动转矩则按电压下降比例的平方倍下降。同时,每次起动都要消耗大量的电能。因此,三相笼型异步电动机釆用电阻降压的起动方法,仅适用于要求起动平稳的中小容量电动机以及起动不频繁的场合。大容量电动机多采用串电抗降压起动。

13.电动机定子绕组串联电阻按钮操作降压启动电路接线图

在电动机起动初期,给定子绕组串联一定电阻,来降低电动机端电压,当转速上升到一定值时,将电阻短接,从而减小了起动时对线路的影响。如下图所示是一种手动按钮操作来短接电动机起动电阻的控制电路。合上电源开关Q,按下起动按钮SB2,接触器 KM1得电并自锁,主触点闭合,三相电源经电阻接入电动机定子绕组,电动机作降压起动。等到转速达一定值时,再按下按钮SB3,接触器KM2得电并自锁,主触点闭合,将起动电阻短接,电动机进入全压起动运行。

电动机定子绕组串联电阻按钮操作降压启动电路接线图

这种起动方式由于不受电动机接线形式的限制,设备简单,因而在中小型床中也有应用。机床中也常用这种串接电阻的方法限制点动调整时的起动电流。

14.两个接触器实现电动机Y-△星三角降压启动控制电路接线图

如下图所示是用两个接触器实现Y-△星三角降压起动的控制电路。图中KM1为线路接触器,KM2为Y-△转换接触器,KT为减压起动时间继电器。

起动时,合上电源开关Q,按下起动按钮SB2,使接触器KM1和时间继电器KT线圈同时得电吸合并自锁,KM1主触点闭合,接入三相交流电源,由于KM1的常闭辅助触点(8-9)断开,使KM2处于断电状态,电动机接成星形连接进行降压起动并升速。

两个接触器实现Y-△星三角降压启动控制电路接线图

当电动机转速接近额定转速时,时间继电器KT动作,其通电延时断开触点KT(4-7)断开,通电延时闭合触点(4-8)闭合。前者使KM1线圈断电释放,其主触点断开,切断电动机三相电源。而触点KM1(8-9)闭合与后者KT(4-8)—起,使KM2线圈得电吸合并自锁,其主触点闭合,电动机定子绕组接成三角形连接,KM2的辅助常幵触点断开,使电动机定子绕组尾端脱离短接状态,另一触点KM2(4-5)断开,使KT线圈断电释放。由于KT(4-7)复原闭合,使KM1线圈重新得电吸合,于是电动机在三角形连接下正常运转。所以KT时间继电器延时动作的时间就是电动机连成星形降压起动的时间。

本电路与其他Y-△星三角换接控制电路相比,节省一个接触器,但由于电动机主电路中采用KM2辅助常闭触点来短接电动机三相绕组尾端,容量有限,故该电路适用于13kW以下电动机的起动控制。

15.用时间继电器自动切换星三角Y-△降压启动电路接线图

如下图所示的用时间继电器自动切换Y-△星三角降压启动电路接线图,其工作原理是这样的:

按下起动按钮SB2,接触器KM1线圈得电,电动机M接入电源。同时,时间继电器KT及接触器KM2线圈得电,接触器KM2线圈得电,其常开主触点闭合,电动机M定子绕组在星形接下运行。KM2的常闭辅助触点断开,保证了接触器KM3不得电。时间继电器KT常闭延时断开触点延时断开,切断KM2线圈电源,其主触点断开而常闭辅助触点闭合。时间继电器KT 的常开延时闭合触点延时闭合,接触器KM3线圈得电,其主触I点闭合,使电动机M由星形起动切换为三角形运行。

用时间继电器自动切换星三角Y-△降压启动电路接线图

停车时,按下SB1,辅助电路断电,各接触器释放,电动机断电停转。线路在KM2与KM3之间设有辅助触点联锁,防止它们同时动作造成短路;此外,线路转入三角连接运行后,KM3的常闭触点断开,切除时间继电器KT,避免KT线圈长时间运行而空耗电能,并延长其寿命。

三相笼型异步电动机采用Y-△星三角降压起动的优点在于:定子绕组星形连接时,起动电压为直接采用三角形连接时的1/3,起动电流为三角形连接时的1/3,因而起动电流特性好,线路较简单,投资少。其缺点是起动转矩也相应下降为三角形连接的1/3,转矩特性差。所以该线路适用于轻载或空载起动的场合。另外应注意,Y-△星三角连接时要注意其旋转方向的一致性。

16.中间、时间继电器延时转换Y-△星三角降压启动

如下图所示为电动机星三角Y-△远距离操作降压启动自动控制电路接线图。这种电路电路在设计上增加了一个中间继电器和时间继电器,可以防止大容量电动机在星三角Y-△转换过程中,由于转换时间短,电弧不能完全熄灭而造成的相间短路。它适用于55kW以上三角形连接的电动机。

中间、时间继电器延时转换Y-△星三角降压启动

当合上开关Q,时间继电器KT1得电动作,为起动做好准备。按下起动按钮SB2,接触器KM1、时间继电器KT2、接触器KM3同时得电并吸合,KM1的常开触点闭合并自锁,电动机作Y形起动。当KT2延时到规定时间,电动机转速也接近稳定时,时间继电器KT2的延时断开常闭触点断开,KM3断电并释放,同时KT2的延时闭合常开触点闭合,使中间继电器KA得电动作,其常闭触点断开使KT1断电释放,同时KA的常开触点闭合。当KT1断电,到达延时时间(0.5~1s)后,其延时闭合常闭触点闭合,KM2才得电动作,电动机转换为三角形连接运转。时间继电器的动作时间可根据电动机的容量及起动负载大小来进行调整。

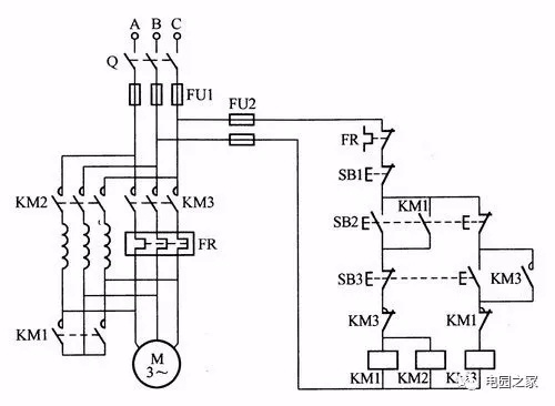
17.按钮控制星三角(Y-△)降压启动(三个接触器)电路接线图

如下图为一款按钮操作远距离控制星三角(Y-△)降压启动电路图。其中KM1为三相电源接触器,KM2为Y形控制接触器,KM3为△形控制接触器。

当合上电源开关Q,按下起动按钮SB2时,KM1线圈得电,主触点闭合,接通三相电源,辅助触点闭合自锁。同时KM2线圈得电,其主触点将电动机三相绕组接成Y形起动。等到转速接近稳定时,再按下运转按钮SB3, KM2线圈断电,切断Y形电路,同时KM3线圈得电吸合并自锁,其主触点将电动机三相绕组接成A形运转。按下停止按钮SB1,控制电路断电,电动机停转。

按钮控制星三角降压启动(三个接触器)电路

此电路适用于△形运转大容量电动机的起动,并且可远程 控制的场合。

18.手动控制星三角(Y-△)降压启动电路接线图

如下图所示为两款三刀双投开关手动控制电动机星三角(Y-△)降压启动电路。电路具有设备简单,操作方便的特点。

电动机手动星三角降压启动

(a)中Q是三相电源开关,Q1是Y-△换接开关。 起动时,先将Q1扳至Y侧,把定子绕组接成Y形,然后合上电源开关Q,接入三相电源,等转速接近稳定后再将Q1扳到△侧,定子绕组换成△形接线。这种起动方法被称为Y-△(星三角)降压起动。

(b)是利用两个刀开关完成Y-△降压起动的电路,当起动时合上刀开关Q2,待起动完毕后拉下起动刀开关Q2,然后再合上运行刀开关Q1。注意Q1、Q2不能同时闭合,否则将电源短路。

釆用星三角起动,电动机起动电流只有直接起动时的1/3, 但起动转矩也只有直接起动时的1/3。因此,本电路只适用于正常运转时采用三角形接法的电动机,空载或轻载情况下起动。

19.笼型电动机自耦变压器启动手动控制电路

下图为笼型电动机自耦变压器手动控制起动电路。图中Q为转换开关,起动时,将开关Q扳到左侧起动位置,动机的定子绕组接到自耦变压器的二次侧,此时加在定子绕组 上的电压小于正常电压,从而减小了起动电流。等到电动机的转速升高后,再把开关Q扳到右侧运行位置,此时电动机绕组直接和三相电源相接,切除自耦变压器,使电动机全压运行。

起重电机,伯顿起重电机,YZR起重电机,起重设备,YZB起重电机

笼型电动机自耦变压器启动手动控制电路

自耦变压器一般有三个抽头,其输出电压分别是电源电压的40%、60%、80%,可根据电动机容量与负载大小来选取。本电路对限制起动电流较明显,适用于起动转矩较大的场合。

 
  • 上一篇:六步测量电动机的绝缘阻值
  • 下一篇:电机振动异常诊断
  •  
     
    相关产品 更多产品>>
     
     
    起重电机新闻 更多新闻>>
     
    怎样避免电动机烧毁 2018-02-01
    模块化在大型电动机设计及制造中的应用 2018-02-01
    你不得不知道的起重机保养诀窍 2018-01-31
    桥式起重机上电器和机械安全装置的作用 2018-01-31
    如何理解伺服电机的刚性和惯量? 2018-01-30
    低分辨率位置传感器永磁同步电机精确位置估计方法综述 2018-01-30
    电机烧毁跟拆装有很大关系 2018-01-29
    电机发热怎么办? 2018-01-29
    电动机轴承异响故障分析及应对措施 2018-01-28
    如何对电动机轴承进行清洗 2018-01-28
    电动机轴承的检查、安装方法 2018-01-26
    电动机轴承的清洗方法 2018-01-26
    电机转速与转差率 2018-01-25
    定子绕组故障检修 2018-01-25
    如何理解伺服电机的刚性和惯量? 2018-01-24
     


    专业起重电机起重变频电机生产商-无锡伯顿电机有限公司

    返回首页 | 关于我们 | 产品展示 | 荣誉资质 | 生产设备 | 企业文化 | 联系我们 | 起重电机信息 | 人才招聘 | 网站地图
    Copyright © 2012 无锡伯顿电机有限公司, Inc. 苏ICP备12019556号-1
    网页关键词:
    起重电机起重变频电机,电机
    友情链接:平衡机   聚脲   不锈钢棒材   撕碎机   除尘器设备   无锡折弯机   起重机车轮   油压冲床   磁悬浮轴承   护套   石家庄婚纱摄影   联赢激光   热轧滑轮   防火门   微型电动葫芦   钙铁锌硒检测仪   垃圾处理器   机械剪板机   工业冷水机组   剪板机   电梯厂家   时间同步服务器   不锈钢反应锅   上海喷码机   数控折弯机   校平机   电动蝶阀   平开门电机   废旧轮胎胶粉设备