| 
	
 
	一、为什么测量电机振动
 
	无锡伯顿起重电机讯  电动机和其它机械设备一样,在运行中存在能量、热量、磨损、振动等物理和化学参数的变化,这些信息的变化直接或间接反应电动机的运行状况,测量电机的振动值能有效的诊断出电机的故障。
 
	
 
	二、电机振动诊断过程
 
	
 
	1. 异常诊断
 
	使用便携式测振仪对电机的进行振动测量能有效的对电动机的运行状况得出概括性的评价,对电机的早期故障进行诊断和趋势控制。若果正常则不对电机做进一步诊断。反之,对电机进行精密诊断。
 
	
 
	2. 故障状态和部位诊断
 
	此为精密诊断,一般采用振动传感器对电机的振动状态信息进行拾取、储存,对电机的振动频谱进行分析,分离出与故障的有关信息,准确判断电机振动的故障状态和部位。
 
	
 
	3. 故障类型和原因分析
 
	一般使用故障特征库或专家系统对振动进行分析,准确查找电机的振动部位和振动原因。
 
	
 
	三、振动测量
 
	
 
	1. 测量点配置
 
	  
	图1 电机的测点配置
 
	  
	图2 座式轴承电机的测点配置
 
	
 
	
 
	   
	图3 端盖式电机的测点配置
 
	  
	  
	图4 立式电机的测点配置
 
	
 
	2. 电动机测试条件
 
	
 
	
 
	(1) 钢性安装:
 
	
 
	注1:此项要求确保了试验安装的整体在水平方向和垂直方向的固有频率不会出现在下范围:
 
	
 
	
		
			电机旋转频率的±10%;
		
		
			二倍旋转频率的±5%;
		
		
			一倍和或二倍电网频率的±5%。
		 
	
 
	注2:底脚振动为轴承振动速度25%的比率对每转发生一次的振动和二倍电网频率的振动都是正确的(如欲评价后者)。
 
	
 
	(2) 卧式安装的电机
 
	
 
	试验时电机应满足以下要求:
 
	
 
	
		
			直接安装在坚硬的基础上。
		
		
			通过安装平板安装在坚硬的基础上。
		
		
			安装在满足上述要求的刚性板上。
		 
	
 
	(3) 立式安装的电机
 
	
 
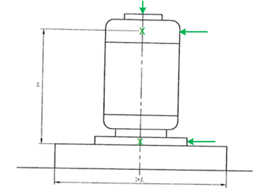
	立式电机应安置在坚固的长方形或圆形钢板上,该钢板对应于电机轴承中心钻孔,带有经加工的平面与被试电机法兰想配合并攻螺纹孔以链接法兰螺栓。钢板的厚度应至少为法兰厚度的3倍,5倍更合适。钢板相对直径方向的边长应至少与顶部轴承离钢板的高度L相等。
 
	
 
	一、电动机振动值的标准
 
	
 
	1. GB10068-2008电机的机械振动的测量、评定及限值
 
	  
	注1:制造厂和用户应考虑到检测仪器可能有±10%的测量容差。
 
	
 
	注2:以相同机座带底脚卧式电机的轴中心高作为机座无底脚电机、底脚朝上安装式电机或立式电机的轴中心高。
 
	
 
	注3:一台电机,自身平衡较好且振动强度等级符合表1的要求,但安装在现场中因受各种因素,如地基不平、负载机械的反作用以及电源中纹波电流的影响等等,也会显示较大的振动。另外,由于所驱动的诸单元的固有频率与电机旋转体微小残余不平衡的激励频率极为接近也会引起振动,在这些情形下,不仅只是对电机,而且对装置中的每一单元都要检验,见ISO10816-3。
 
	
 
	2. ISO-10816《机械振动——通过测量机械的非旋转部件来对机械振动进行评价》
 
	电机轴高>315mm、功率300kW~50MW的大型旋转机械振动烈度
 
	  
	
 
	A:新投入使用的机器
 
	B:长期连续运行的机器
 
	C:非连续长期运行,应采取维修措施
 
	D:可导致机械损坏
 
	
 
	电机轴高H:160mm<H<315mm、功率中等的机械振动烈度
 
	
 
	  
	
 
	3. GB50170-2006 电气装置安装工程 旋转电机施工及验收规范
 
	电机振动值标准
 
	  
	
 
	4. 检修规程
 
	
 
	二、电机振动异常的识别与诊断
 
	
 
	1. 电磁振动
 
	
 
	(1) 定子异常产生的电磁振动
 
	
 
	三相交流电机在正常运转时,机座上受到一个频率为电网频率2倍的旋转力波的作用,而可能产生振动,振动大小与旋转力波的大小和机座的刚度直接有关。
 
	
 
	定子电磁振动异常的原因:
 
	
 
	
 
	定子电磁振动的特征:
 
	
 
	
		
			振动频率为电源频率的2倍,F=2f;
		
		
			切断电源,电磁振动立即消失;
		
		
			振动可以在定子机座上和轴承上测得;
		
		
			振动强度与机座刚度的负载有关。
		 
	
 
	(2) 气隙静态偏心引起的电磁振动
 
	
 
	电机定子中心与转子轴心不重合时,定、转子之间气隙将会出现偏心现象,偏心固定在一个位置上,在一般情况下,气隙偏心误差不超过气隙平均值的上下10%是允许的,过大的偏心值产生很大的单边磁拉力。
 
	
 
	气隙静态偏心产生特征:
 
	
 
	
 
	(3) 气隙动态偏心引起电磁振动
 
	
 
	偏心的位置对定子是不固定的,对转子是固定的,因此偏心的位置随转子而转动。
 
	
 
	气隙动态偏心产生的原因:
 
	
 
	
		
			转子的转轴弯曲;
		
		
			转子铁心与转轴或轴承不同心;
		
		
			转子铁心不圆。
		 
	
 
	气隙动态偏心产生电磁振动的特征:
 
	
 
	
 
	(4) 转子绕组故障引起的电磁振动
 
	
 
	笼形电机笼条断裂,绕组异步电机由于转子回路电气不平衡都将产生不平衡电磁力。转子绕组故障产生的原因:
 
	
 
	
 
	转子绕组故障引起电磁振动的特征:
 
	
 
	
		
			转子绕组故障引起电磁振动与转子动态偏心产生的电磁振动,波形相似,现象相似,较难区别,振动频率为f/p ,振幅以2sf的频率在脉动、电动机发生与脉动节拍一致的电磁噪声;
		
		
			在空载或轻载时,振动与节拍噪声不明显,当负载增大时,这种振动和噪声随之增加,当负载超过50%时,现象较为明显;
		
		
			在定子的一次电流中,也产生脉动变化其脉动节拍频率为2sf;
		
		
			在定子电流波形作频谱分析,在频图图中,基频两边出现 的边频;
		
		
			同步电动机励磁绕组但匝间短路,能引起f/p频率(转频)的电磁振动和噪声,无节拍脉动振动现象与转子不平衡产生的机械振动相似;
		
		
			断电后,电磁振动和电磁噪声消失。
		 
	
 
	2. 机械振动
 
	
 
	(1) 转子不平衡产生的机械振动
 
	
 
	转子不平衡的原因:
 
	
 
	
 
	转子不平衡产生的机械振动特征:
 
	
 
	
		
			振动频率与转频相等;
		
		
			振动值随转速增高而加大,与电机负载无关;
		
		
			振动值以经向为较大,轴向很小。
		 
	
 
	(2) 加工和装配不良产生振动
 
	
 
	产生的原因: 与轴承内孔配合的轴颈和轴肩加工不良或由于轴弯曲等原因,使轴承内圈装配后,其中心线与轴中心线不重合,轴承每转一周,轴承受一次交变的轴向力作用,使轴承产生振动。
 
	
 
	振动的特征:
 
	
 
	
 
	(3) 安装时,轴线不对中引起振动
 
	
 
	机组安装后,电机和负载机械的轴心线应该一致相重合,当轴心线不重合时,电动机在运行时就会受到来自联轴器的作用力而产生振动.不对中分为3种情况:
 
	
 
	
		
			轴心线平行不对中(偏心不对中),就是电动机与负载机械轴心线虽然平行,但不重合,存在一个偏心距,随电机转动,其轴伸上就受到一个来自联轴器的一个径向旋转力的作用,使电机产生径向振动,振幅与偏心距大和转速高低有关,频率是转频的2倍;
		
		
			轴心线相交不对中,当电动机与负载机械轴心相交时,联轴器的结合面往往出现“张口”现象。电动机转动时,就会受到联轴器的一个交变的轴向力作用,产生了轴向振动,产生了轴向振动,频率与转频相同;
		
		
			轴心线既相交又偏心的不对中。
		 
	在实际安装中,以上两种不对中情况往往同时存在,特征如下:
 
	
 
	
 
	(4) 机械松动引起的振动
 
	
 
	机械松动分为结构件松动和转动部件松动。造成松动的原因:
 
	
 
	
 
	机械松动故障引起振动的特征:
 
	
 
	
		
			径向振动较大,尤其垂直方向振动大。
		
		
			有时含有1/2倍,3/2倍等分数频分量。
		
		
			时域波形杂乱,有明显的不稳定的非周期信号。
		
		
			轴向振动很小或正常。
		 |