生产设备 | 企业文化 | 人才招聘 | 起重电机信息

所有产品

              起重及冶金用电动机
              辊道用电动机
              防爆电机

 
当前位置:首页 > 起重电机信息
 

小型起重机起升使用变频器

发布时间:2017-07-13 23:24:00 点击:    

 
 

无锡伯顿起重电机  现在变频器用于起重机起升的不是很多,而且多用于大功率的电机,一般小功率的葫芦多用双速电机,这样就节省了成本,但是有些行业还是要求使用变频调速来实现起升。

控制方案
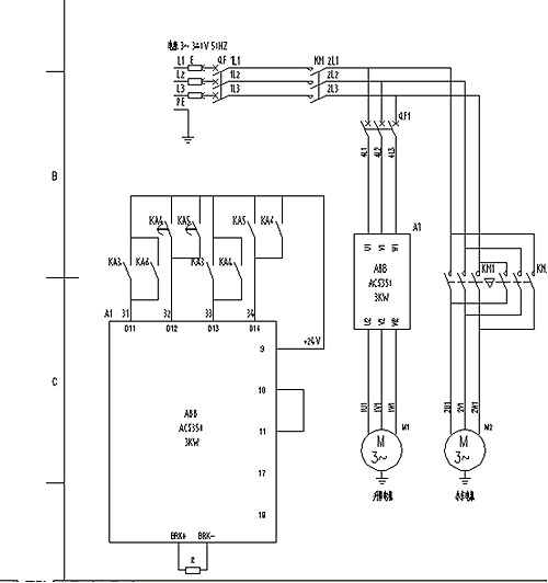
我公司接到过一个3T的单轨吊的项目,要求起升使用变频器。现我方使用ABB ACS350,加制动电阻配合。公司使用的是电动环链葫芦,锥型转子。

接线图如下:

 

因为在下降过程中如果按键频率很高会导致制动不起作用,导致溜钩。现加两个延时触头保证抱闸的有效。变频器的宏选择交变宏。由于葫芦本身抱闸过于紧,在低速的时候频率过底的时候会打不开抱闸,但是调试下提升下频率就可以解决了。

总结
由于没有做长时间的试验,现只能确定它能用于不是很频繁的操作。但是这种设计方法是可行的。

 
  • 上一篇:起重机变频器的特点
  • 下一篇:塔机双电机变频补偿传动起升机构
  •  
     
    相关产品 更多产品>>
     
     
    起重电机新闻 更多新闻>>
     
    怎样避免电动机烧毁 2018-02-01
    模块化在大型电动机设计及制造中的应用 2018-02-01
    你不得不知道的起重机保养诀窍 2018-01-31
    桥式起重机上电器和机械安全装置的作用 2018-01-31
    如何理解伺服电机的刚性和惯量? 2018-01-30
    低分辨率位置传感器永磁同步电机精确位置估计方法综述 2018-01-30
    电机烧毁跟拆装有很大关系 2018-01-29
    电机发热怎么办? 2018-01-29
    电动机轴承异响故障分析及应对措施 2018-01-28
    如何对电动机轴承进行清洗 2018-01-28
    电动机轴承的检查、安装方法 2018-01-26
    电动机轴承的清洗方法 2018-01-26
    电机转速与转差率 2018-01-25
    定子绕组故障检修 2018-01-25
    如何理解伺服电机的刚性和惯量? 2018-01-24
     


    专业起重电机起重变频电机生产商-无锡伯顿电机有限公司

    返回首页 | 关于我们 | 产品展示 | 荣誉资质 | 生产设备 | 企业文化 | 联系我们 | 起重电机信息 | 人才招聘 | 网站地图
    Copyright © 2012 无锡伯顿电机有限公司, Inc. 苏ICP备12019556号-1
    网页关键词:
    起重电机起重变频电机,电机
    友情链接:平衡机   聚脲   不锈钢棒材   撕碎机   除尘器设备   无锡折弯机   起重机车轮   油压冲床   磁悬浮轴承   护套   石家庄婚纱摄影   联赢激光   热轧滑轮   防火门   微型电动葫芦   钙铁锌硒检测仪   垃圾处理器   机械剪板机   工业冷水机组   剪板机   电梯厂家   时间同步服务器   不锈钢反应锅   上海喷码机   数控折弯机   校平机   电动蝶阀   平开门电机   废旧轮胎胶粉设备